物欲オジ=ブツオジです。 知識は浅い、物欲だけは深い、イケオジになりたい気持ちは…まあまあ深い。 そんな男の“迷走と散財”ブログです。 ちゃんとした知識が欲しい人は、専門家に聞いてください。僕は浅堀り担当です。
TRAK RACER コックピット秘密基地化計画、始動
秘密基地と言えば何か?
- 狭い
- 暗い
- 囲われてる
- ちょっとワクワクする
- 家族から見たら「何やってんの?」案件
このあたりがキーワードだと思う。
そして僕のTRAK RACERコックピットは、 非日常感はかなり出てきている。

- 4画面構成
- 赤いLED
- 生活感ゼロの“秘密基地感”
でも、どうしても足りないものがあった。
そうだ、屋根だ。
4画面で囲われているとはいえ、 頭上がスースーする。
秘密基地に必要なのは、 “視界の囲い込み”だけじゃなくて、 “頭上の圧” だ。
この「上から覆われてる感」があるだけで、 没入感が一気に跳ね上がる。
つまり、僕のコックピットには 屋根が必要だった。
アルミフレームで“屋根”を作る計画
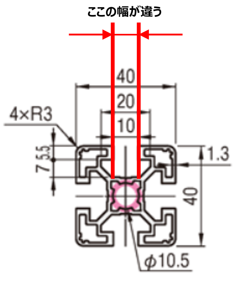
TRAK RACERのフレームは 40×40のTスロット(溝幅8mm)M8用。
なので、 同じ規格のアルミフレームを継ぎ足せば 屋根フレームは簡単に作れる。
- 前方支柱から上に延長
- 後方支柱と連結
- 上部に横フレームを渡す
- そこにダンプラを設置
これで “囲われ感のある秘密基地” が完成する。
僕の予想図はこんな風。

多少の乗り降りの不便は覚悟で座った時の雰囲気を重視したい。
ただし、ここで罠がある。
✔ MISUMIと互換性がない(規格が違う)
国内で有名なアルミフレームと言えば MISUMI。

でも、TRAK RACERとはアルミフレームの規格は違う

参考までに大きく3種類の規格が存在しそうだ(注:オジの浅堀り調べ)
① 欧州規格(Bosch Rexroth / ITEM 系)= TRAK RACERの規格
世界で最も普及しているT-slot規格。
特徴
- 40シリーズ(40×40 / 40×80)が主流
- 溝幅:8mm
- ボルト:M8
- ナット形状:欧州T-slot専用
- メーカー:Bosch Rexroth、ITEM、SUS(40シリーズ)、NIC(AFSシリーズ)など
TRAK RACERはこれ
日本規格(MISUMI)= 独自規格
MISUMIは世界標準ではなく、独自のシリーズ体系を持っている。
MISUMIのシリーズ
| シリーズ | 基準寸法 | 溝幅 | ボルト |
|---|---|---|---|
| 5シリーズ | 20mm系 | 5mm | M5 |
| 6シリーズ | 30mm系 | 8mm | M6 |
| 8シリーズ | 40mm系 | 10mm | M8 |
| 8-45シリーズ | 45mm系 | 10mm | M8 |
重要ポイント
- 6シリーズは溝8mmだけど、欧州規格とは形状が違うので互換しない
- 8シリーズは溝10mmなので、TRAK RACERとは完全に別物
つまり:
MISUMIのどのシリーズも、TRAK RACERとは互換しない
③ 中国系汎用T-slot(Amazonなど)
- 欧州規格40シリーズ互換が多い
- 4040 / 4080 / 40120 など
- 溝幅8mm
- ただし精度はメーカーにより差がある
TRAK RACERと組み合わせるなら “欧州規格40シリーズ”と書いてあるものだけが安全。
まぁ、ハイブリッド構成にする手もあるだろう。その場合は溝にあったNUTを選ぶ必要がある。ここを間違えると、「買ったのに入らないオジ」になるので注意。サイズが規制品でよければDELEさんでTRAK RACER用を買う。特殊サイズであれば、外部サイトでフレームとナットを買う。かな。

あわせて読みたい↓
アルミ屋根を付けると何が起きるのか?
話を戻して、屋根による秘密基地効果の話。
何が良い????
✔ 没入感が爆増
頭上が塞がると、 “コックピットに乗ってる感” が跳ね上がる。
✔ 生活感が消える
上からの光が遮られるので、 部屋の“普通の空気”が入ってこない。
✔ 家族からの視線も遮断
これが地味に大きい。
「また秘密基地に籠ってるの?」
という視線が、 物理的に届かなくなる。
✔ ただしデメリットもある
- 家族との会話が減る
- 気づいたら2時間経ってる
- 気づいたら3時間経ってる
- 気づいたら怒られてる
秘密基地の完成度が上がるほど、 家庭内の立場は下がる。
これは避けられない。

ブツオジ的まとめ
- 秘密基地に必要なのは“囲われ感”
- TRAK RACERは屋根フレームを追加すれば完成度が跳ね上がる
- ただしMISUMIは規格が違うので注意
- 溝幅8mmのTスロットを選べばOK
- 屋根を付けると没入感は上がるが、家庭内の立場は下がる
- でも、それも含めて“秘密基地の醍醐味”
秘密基地は完成に近づくほど、 人としての何かを失っていく。
でも僕は、その失われていく何かが好きだ。
今度アルミフレームの仕様について、別で語りますね。
シフター選びの話はこちらをどうど!
にほんブログ村

※このブログにはアフィリエイト広告が含まれています。物欲のままに紹介しています。






コメント